Opening time
Mo.-Fr.: 08:00 -17:00
About the line:
MANUFACTURER:

CherkasyElevatorMash Ltd TM BRONTO

USED FOR:

• production of high protein feed component
• production of vegetable oil

INPUT MATERIAL:

• soybeans, peeled soybeans 24 t/day

FINAL PRODUCT:

• SOYBEAN OIL
• SOYBEAN PRESSED CAKE (oil content 7 ... 8%)
(urease: 0.05 ... 0.2 pH)

WORKING CONDITIONS:

• power line (workshop): min 160 kW

• production area:
min 200 m²

• storage area of raw materials: min 250 m²

• floor storage area for oil cake: min 300 m²

SOYBEAN OIL PLANT:

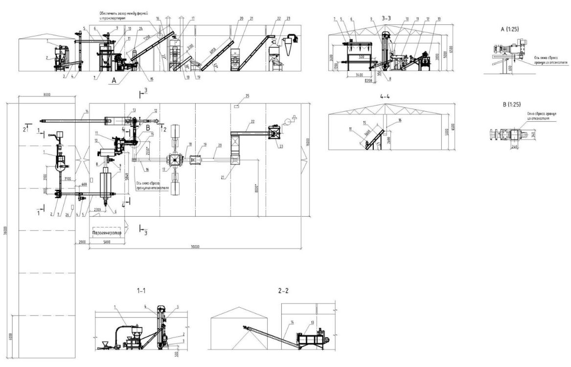
EXAMPLE OF LAYOUT DESIGN:

HOW SOYBEAN OIL PLANT OPERATES:

Technology description:
1) STORAGE OF RAW MATERIAL:

Warehouse: from 250 m²

2) RAW MATERIAL PREPARATION:

Raw material cleaning: storage standards
Dosing of raw materials: up to 8 ... 10%

3) REMOVING THE SOY SHELL:

Fiber removal: up to 5% by weight of raw materials
Increase in protein specific gravity in oil cake: by 2 ... 3%

4) ExtruSION:

Raw material heating: 120 ... 150 °C
Decrease in urease activity: up to 0.05 ... 0.2 pH
Moisture decrease: by 1 ... 3%

5) Soybean Oil pressing out:

Oil cake production:
• protein: 40 ... 48%
• oil content: up to 8%

Oil production:
solids residue content: up to 3%

6) COOLING the oil cake down:

Decrease in temperature:
after the final product had been discharged from the cooler, its temperature is 5 ...10°C higher than the temperature in the shop

7) OIL CLEANING / FILTERING:

Impurity reduction: removal of up to 90% of impurities

8) Storage of OIL cake:

Floor storage warehouse: from 300 m²

9) OIL STORAGE:

Storage capacity: from 70 m³

10) lab:

Determination of fat and protein content, moisture, urease activity

DESCRIPTION OF TECHNOLOGY: